
數據采集設計中配電參數采集主要是三相電壓、電流等信號的采集;首先,采集電路采集到變壓器低壓側的電壓和電流量;然后,通過調理運放電路并經過模數轉換芯片進行模數轉換;最后,傳送給單片機進行數據處理;對輸入信號要求是單極性,電壓范圍為0~5 V;為防止信號太小須進行放大,本文設計出以下采集電路:
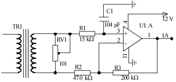
電流信號采集采用三個精密微型電流互感器,電流信號采用差分輸入(可減小誤差);以A相電流采集為例,從互感器經過并聯的滑動變阻器RV1得到輸入電壓要求范圍內的電壓,再經過電容器C1濾波后,得到的小信號經過 放大器放大后接入模數轉換芯片將模擬信號轉換為數字信號。B相、C相電流采集與A相原理相同。

電流調理運放電路圖
GPS接收模塊設計
GPS接收模塊是接收機最重要、最關鍵的部分,作為接收模塊,需具有24引腳,工作電壓2.7V~3.6V;需要滿足以高性能定位引擎為特色的獨立GPS接收機,且尺寸小巧,在16mm×12.2mm×2.4mm的微型封裝內提供了眾多連接選項,200多萬個相關器***使用定位時間不到1s,更新速率達到5Hz;其緊湊的結構和斷點記憶功能。該GPS接收模塊主要參數有:時間脈沖信號精度為30ns;水平精度以圓概率誤差(CEP),即GPS定位在2.5m精度的概率為50%;支持UART、USB、SPI接口通信,采用串口與外部設備MCU通信;支持NAME、UBX、RTCM協議等。
VCC引腳接3.3V電源;時間脈沖引腳接藍色LED指示燈,模塊上電后指示燈亮,開始接收GPS信號時指示燈閃爍;RF_IN引腳接天線;SCL2和SDA2分別與電可擦可編程存儲器24AA32A的SCL和SDA相連,每次掉電重啟后,GPS模塊會從中加載配置信息;V_BCKP引腳接備用電源;由于單片機芯片輸出均為TTL電平,則RXD1與單片機的RXD直接相連即可,用于單片機控制其接收信號;TXD1和單片機的TXD直接相連,用于向單片機發送采集到的GPS信號,單片機按照協議解析信號從中分離提取出時間信號通從而得到自主授時。
系統主流程設計
系統主程序工作流程與硬件電路設計中各模塊相對應,系統開始工作時,首先對單片機、模數轉換芯片等進行初始化,讀時鐘的日期和時分,記錄開測日期和時分并開始對三相電壓電流進行采樣,根據相應的參數計算無功投切相應參數,通過該參數確定系統是否需要調用無功投切子程序,如果需要則調用該子程序;如果不需要執行該程序,則判斷時間是否到達一分鐘并執行讀表指令,判斷該指令內容,繼而循環此過程;軟件采用C語言編寫和結構化設計程序,在集成開發環境中完成,再經過不斷地調試、修改、仿真。最后,通過上位機軟件完成對配電參數的監測。
掃一掃咨詢微信客服